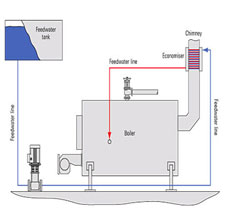
A common application of economizers is to capture the waste heat from boiler stack gases (flue gas) and transfer it to the boiler feed-water. This raises the temperature of the boiler feed-water, lowering the needed energy input, in turn reducing the firing rates needed for the rated boiler output. Flue gases from large boilers are typically 450 – 650°F. Stack Economizers recover some of this heat for pre-heating water. The water is most often used for boiler make-up water or some other need that coincides with boiler operation.
